The rear suspension under some classic Chevys is supported by a pair of leaf springs made up of multiple leaves (strips) of spring steel. Typically, they will have three or four individual leaves that make a set of springs. Leaf springs have a specific curvature when they come from the factory, and this curvature and the number of leafs in the spring pack, determines the load capacity and the ride height of the vehicle. We’re going to show you the the process and tools required to replace the leaf springs under your car. This is not a hard job, just take your time and pay attention to what you’re doing. Also, it’s recommended to work on one side of the car at a time so you have the other side to refer to if you get stuck.
Tools You Will Need
Unless your suspension is infected with a lot of rust, you shouldn’t need any special tools to complete the job. You will need a couple of sockets (9/16 through 3/4-inch), a ratchet, and maybe an extension or two. Also, make sure you have some wrenches (the same size as the sockets), and a hammer. Lastly, you’ll also need a floor jack and a few jack stands.

Step 1: Raise The Rear
Before you start, park your car on a level surface. Place a tire chock in front of, and behind, one of the front tires to keep the car from moving. Place your floor jack under the differential, and jack up the car high enough so the tires remain off the ground when the car is supported by placing the jack stands under the frame.
With the car in the air, place one jack stand under the frame rail in front of the leaf spring on each side of the car. Next, carefully lower the jack until the car is supported by the jack stands, and the rear is hanging by the leaf springs.

Step 2: Remove The Shocks
With the car supported by the jack stands, place the jack under the differential, and raise it just enough to relieve some of the hanging tension in the springs. Using a socket, remove the two upper shock-mounting bolts.

Next, remove the nut securing the shock to the lower mount. Lower the jack enough to remove the shock from the car, but don’t lower it all the way. This keeps the axle housing from falling while you’re doing the work.
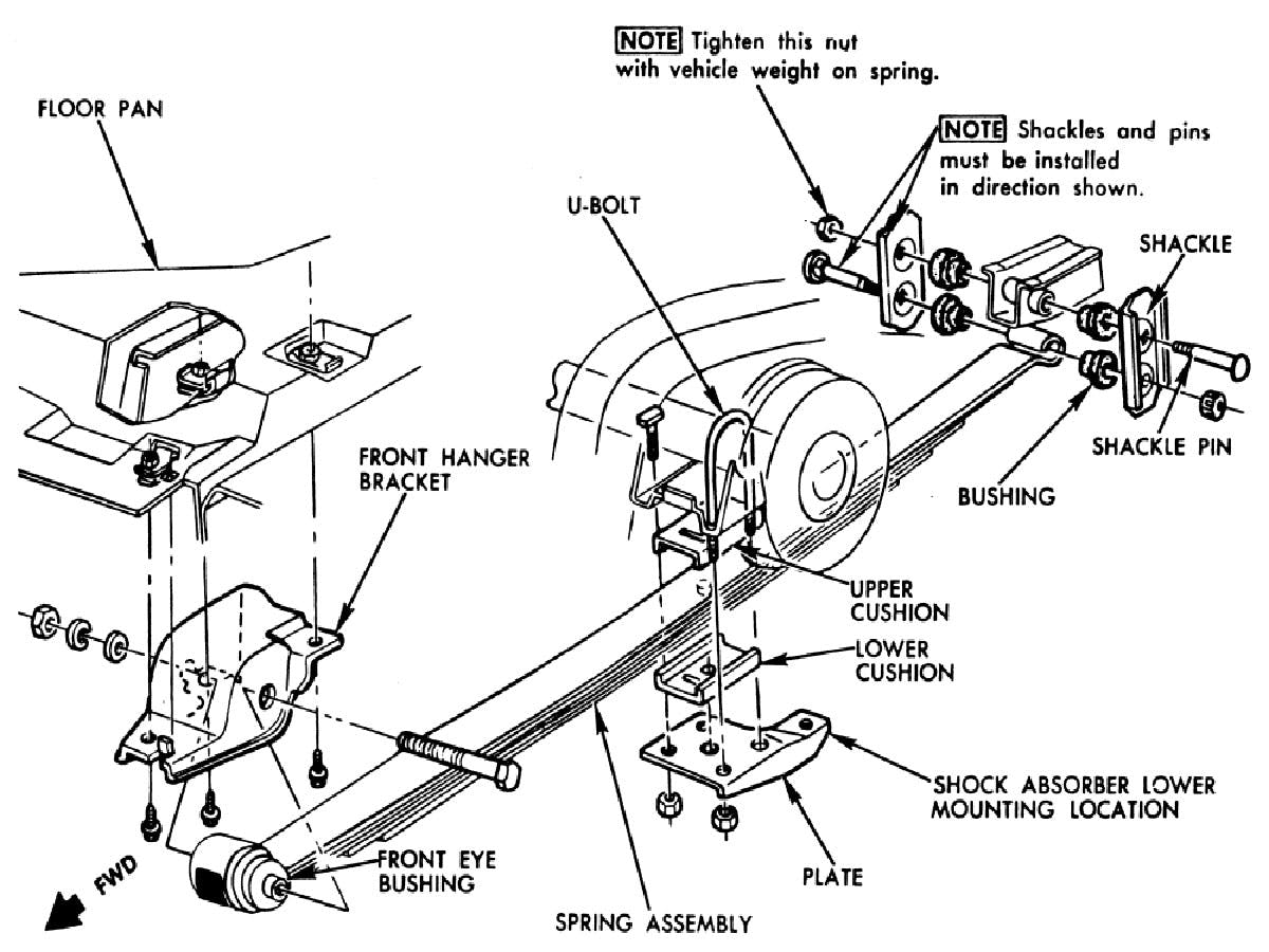
Step 3: Remove The Leaf Spring Bracket And Parking Brake Cable

Remove the front portion of the leaf spring. On older vehicles, such as the ’54 Chevy pickup pictured above, this is a matter of removing the bolt securing the spring to the bracket. On cars, such as the 1970 through 1981 Camaro pictured below, you must remove the three bolts securing the spring pocket/front bracket to the frame before getting at the nut and bolt that secures the front of the spring to the car.

Sometimes, the parking brake cable is attached by a clip, which is usually located near the spring plate on the leaf spring. Remove the cable from the clip.
Step 4: Remove Lower Spring Plate

Next, remove the four nuts from the U-bolts on the lower spring plate. Sometimes, there are upper and lower rubber pads between the spring and mounting plate. If they’re present, be sure to put them back during reassembly.

Before you try to remove the U-bolt nuts, it is a good idea to spray a penetrating oil on the threads so the nuts do not strip the the threads of the U-bolts as you try to remove them. Strip the threads, and you’ll need to buy new U-bolts.
Step 5: Remove The Rear Shackles And The Leaf Spring

Here’s where having a second floor jack can be handy. Place the second jack under the leaf spring, and raise the jack just enough to contact the spring to relieve some of the tension. Next, remove the lower shackle bolt, lower the jack, and remove the spring.
Step 6: Out With The Old

When you remove the shackles, pay attention to the orientation of the upper shackle bolt. It must go back in the same way it came out. This is so the moving suspension tightens the bolt instead of loosening it. Remove the shackle bushings from the frame so they can be replaced.
Step 7: Attach The Front Bracket

Before reassembly, apply antiseize to the new bushings and insert them into the front spring eye. Also apply anti-seize to the inside of the spring eye. Don’t forget to install the tubular bushing support before bolting the spring into the front spring bracket/pocket.
Polyurethane versus Rubber Bushings:
Hot rodders have been arguing for decades about whether polyurethane is better than rubber for bushings. If you’re building a restored show car, or you want more of a stock feel to the ride, you want rubber. Most manufacturers used rubber for their bushings because rubber supports a soft ride quality, and are the main characteristic that influence many hot rodders to use polyurethane bushings. Poly lasts longer, and it’s firmer. This is important for performance enthusiasts.Position the spring mounting-bracket over the front spring eye of the new spring, and install the bolt through the mounting bracket and spring eye. Make sure the bolt head is positioned so that it is facing the center of the car when the spring is installed. This is done in case the bolt loosens, to ensure that while the bolt might become loose, it won’t fall out and cause a serious accident.Step 8: Install Shackle Bushings
Now is a good time to replace the shackle bushings located in the frame (at the rear of the spring). Shackle bushings that don’t want to come out easily can be drilled or chiseled out. Be careful to not score the sides of the hole where they are installed.

Clean the bushing holes prior to installing the new bushings with a little WD-40. Next, apply some anti-seize to both the bushings and the inner diameter of the bushing hole in the frame, and slide the new bushings in place. Don’t forget the bushing insert sleeve in the bushing’s hole. Again, when reinstalling the bolts, make sure the positioning of the bolts is as they came out. This does quite often make it a pain to get the bolt in and out, but isn’t something that can be overlooked. Do not get frustrated and decide that installing the bolt is taking too long or is too difficult and just install the bolt however it is easiest. It’s put together this way for a good reason. If the bolt loosens and comes out while driving because it is not installed properly, you run the risk of equipment failure, and possibly, an accident.

Step 9: Install Shackle

Next, place the bushing into the rear spring eye and mount the shackle. Install the through-bolt with the bolt head facing the outside of the car. Raise the rear section of the leaf spring into place, and insert the upper shackle bolt in the proper direction. Leave the nuts loose at this time.
Step 10: Attach The Front Mounting Bracket To The Car

Make sure the parking brake cable is below the spring, and lift the front of the spring and the bracket into position. There is a tab on the bracket that must slide into a corresponding hole in the body. Loosely install the mounting-bracket bolts.
Step 11: Install The Spring Plate And Buffer Pad(s)

If your car was designed with spring cushions, they only fit one way. The pads must line up and fit the spring and plate properly. There is also a hole in the spring plate that the bolt going through the springs fits into.
Locate the ribs on the cushion and the upper spring mounting plate. Install the upper cushion so these line up. Install the lower cushion pad with the spring locator dowel pin. Position the spring plate so the dowel pin and holes line up. Loosely install the nuts and bolts.
Step 12: Reattach The Shock Absorber
Slide the shock into place and loosely install the hardware. Also move the parking brake cable into place and secure it.
Step 13: Tighten Everything
The final step is to tighten everything. This means both upper and lower shackle bolts, the four nuts on the lower spring plate/shock mount, and the three bolts on the front spring bracket/pocket.

Remember, always wear safety glasses whenever working under your car. Rust and dirt have a way of finding their way into your eyes.
You might also like
Classic Style, Modern Control: Art Morrison’s GT Sport Chassis For Early Chevys
Art Morrison's GT Sport chassis transforms the timeless 1949-54 Chevrolet into a serious restomod performer.
