If you’ve been following along with the modifications to my daily-driver C10 pickup truck, you surely know that the install of a Holley Sniper EFI delivered a real improvement in drivability and fuel mileage. But, in the back of my mind, I wondered if there could be even more improvement if I was able to gain more precise control of ignition timing. Thanks to the Holley/MSD HyperSpark ignition system, it is now possible – and easy!
Precise ignition timing is not any more important when running EFI than it is in a carbureted engine. But, due to the precision that EFI offers for fuel control, and the ability to have the Sniper’s ECU control the timing, it is more easily achievable. With EFI, it is possible to use a more aggressive timing curve than you might be able to with a carburetor. This is because of the ability to control the air/fuel ratio at varying load and RPM.
Don’t get me wrong, the factory (read: old) HEI distributor in my bone-stock 350ci engine still functioned “well,” but it was beginning to show its age. This was most visible by the occasional hiccup that could be noticed on the Dakota Digital tachometer. It was not enough to cause a noticeable engine miss, but nonetheless, I could see it occur on the tachometer. For that reason, I figured it was time to give the HEI a once over, and probably replace some parts in the process. This would be a relatively easy task, and not one that would break the bank either. Then I found the Holley/MSD Hyperspark.
What It Is
This ignition system is designed to be a perfect complement to those enthusiasts already using a Sniper EFI on their car or truck. “The HyperSpark is made to be a direct plug-and-play to Sniper EFI units only,” says Jeff Teel of Holley Performance Products. “Technically, it could be used in other applications with correct wiring, terminal pinning, etc. However, we made these systems to specifically integrate with the Sniper EFI.”
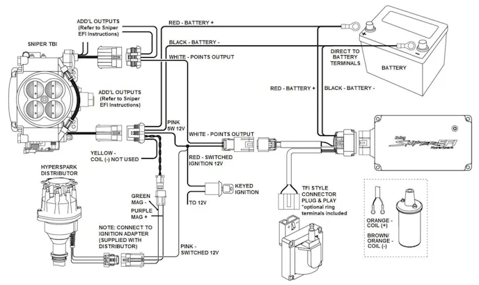
The system utilizes a high-output Capacitive Discharge (CD) ignition box with the wiring harness ready to connect to the Sniper EFI, billet distributor, and coil. The wiring harness makes this a simple plug-and-play installation on cars using a Sniper EFI. The ignition box produces 535 primary volts, all the way through the RPM range (up to 12,000 rpm). The coil sends 45,000 volts to the spark plug. That is definitely enough voltage to ensure complete fuel combustion. The billet aluminum HyperSpark distributor uses a Hall Effect crank-signal sensor to deliver a noise-free signal to your Sniper EFI ECU. I am referring to the HyperSpark as a system, but the parts are sold individually. There is no one-part-number kit.
I wondered if my daily-driver Cheyenne could benefit from upgrading to a $490.00 ignition system? That’s a lot of coin to spend, as opposed to a distributor rebuild. “What you would be looking at with an upgrade to the HyperSpark ignition is the added benefit one would typically see when adding something like an MSD box or captive discharge module,” says Jeff. “The benefit of this over something like the MSD is the direct integration to the Holley Sniper system. We made them as user-friendly as possible, so getting the two to run together is a snap.”

With Jeff’s advice – and after careful consideration – I rationalized the upgrade this way: The HEI uses a statically set ignition spark that, while it can be tailored to the engine by changing a couple of weights and springs inside the distributor, it is a crude, albeit technically effective system. With the springs and weights, you can set the advance to a particular setting, but it is always at that setting. It can’t be finitely optimized for the entire engine RPM range.
On the other hand, the HyperSpark system uses a digital map to control ignition timing. What’s more, the Sniper EFI comes pre-programmed and ready to connect to the HyperSpark. By having this digital ignition map, HyperSpark has the capability to allow me to precisely specify the timing I want for nearly any speed and manifold vacuum. The HyperSpark does not require you to develop a complete timing map, as it comes with a pre-programmed ignition setting.
Ignition Upgrade Made Quick And Easy
Once I get comfortable with the ignition system, I plan to make parameter adjustments to get the most out of the system. Sure, I will have a steep learning curve to figure out how to extract the most out of the unit’s capabilities, but I like a challenge. Another great advantage to the HyperSpark, is the advance curve can be instantly manipulated with the use of the hand-held controller that comes with the Sniper EFI.
The upgrade does require the user to understand how to correctly stab the new distributor into the hole, and Holley even makes that easier with its rotor-phasing installation cap. This is how it works: turn the engine over until the number one cylinder is at top-dead-center, remove the old distributor, install the HyperSpark distributor with the phasing cap in place on the rotor, and voilà, you’re done. The phasing cap holds the rotor at precisely the right location so the distributor is correctly phased. Lock the distributor in place, remove the phasing cap, and then install the distributor cap and spark plug wires. It really is that easy!

I do want to let you know, your Sniper EFI system must be running hand-held firmware version 1.1.7 or higher, and ECU firmware 1.1.1 or higher, to operate with the HyperSpark ignition. If you have an older version, an update is easily obtainable through the Holley website, and can be downloaded to the SD card in the Sniper EFI hand-held controller.
If you’re running a Sniper EFI system, investing in the HyperSpark ignition system is definitely something you should look into. Having full control of your ignition timing can have a multitude of benefits, especially if you plan to do any engine upgrades in the future. If you’re like me, that is a definite possibility.
Was It Worth It?
I’ll be honest, it seems a little too early to tell how much of a benefit the system delivers, because I really need to learn more about how to tailor the timing curve to my truck. But I will say this, even with the base setting, I have noticed the previously mentioned hiccup is no longer visible on the tachometer, and a slight bump in fuel mileage is a possibility. I say possibility, because it is minor. But again, once I learn to manipulate the timing curve, I think I will notice an even larger improvement.

If you’re looking for a better ignition system for your Sniper-equipped hot rod, the HyperSpark is definitely one that you need to check out. The plug-and-play aspect of a complete, easy-to-install performance ignition is something that makes upgrading a cinch for any enthusiast.
You might also like
Classic Style, Modern Control: Art Morrison’s GT Sport Chassis For Early Chevys
Art Morrison's GT Sport chassis transforms the timeless 1949-54 Chevrolet into a serious restomod performer.
