In a very real and frequent scenario, a vintage car enthusiast decided to build or restore a car from his childhood dreams. Perhaps it is one similar to a long-admired car that a close family member owned. Maybe it’s like the car that he grew up in watching the world go by from the back seat. Whatever the driving factor is, the enthusiast will have to decide to build or restore his dream car from a decades-old factory stock chassis or a new performance chassis from a manufacturer like Art Morrison Enterprises (AME).

No matter which route is taken – new or used – the builder will have a plethora of decisions to make. Chiefly, the type of suspension the car will be riding on. Depending on how new or worn a chassis is, the choice between a vintage stock-like leaf spring, a fully adjustable coilover link suspension, or a modern air suspension may be limited. However, building from the ground up on a new purpose-built chassis will open up multiple avenues of suspension options. We talked with Matt Jones, lead mechanical engineer at Art Morrison to discover the benefits of each type of suspension, and how to select the right one for your application.
Why Buy A New Chassis?
We’ve covered the question of buying an aftermarket chassis over salvaging a worn factory chassis many times. It always boils down to the same results: budget or performance. The facts have not changed. Car manufacturers have never built their autos to be indestructible. In fact, you can sell more cars if you build them to need replacement after a few years. If Detroit built everlasting cars, the market would dwindle dramatically. So they have built them out of pressed metal frames or monocoque “unibody” shells with front clips that were prone to flexing issues for decades.

It’s true that a skillful enthusiast could take a factory chassis, strip it down to the bare metal, weld up the seams and add support, have it painted or powdercoated, and build it from there. But … you end up with something that costs the same as a purpose-built chassis from an aftermarket company, yet is still not as strong as the aftermarket piece. “We build each frame for the worst-case scenario,” said Matt. “For builders that tend to build heavier cars, our chassis are built to handle a wide range of weight.”
A factory chassis that has more flex might be good for the majority of car buyers in the U.S. That’s not the case for drivers that like to experience the road and take advantage of some organized competition. Chassis flex means loss of power to the ground. Getting power to the ground is a key consideration when selecting the right suspension for your application. According to Matt, Art Morrison chassis’ are built to reduce the amount of power-robbing chassis flex.
Suspension Selection
To simplify things, we broke down the multiple suspension types into three categories: leaf spring, coilover, or air suspension. Professionals have debated ad nauseum about which type is best for different applications. The reality of the situation, at least from our perspective, is each of these suspension types works great for handling. The caveat to this is, there may be compromises in each suspension type with pros and cons that can improve a certain application but run into issues with other applications. We break down the types with their specific pros and cons below.

Leaf Spring Suspension
One of the oldest forms of suspension, the leaf spring suspension dates back to horse-drawn carriages in France during the mid-17th century. However, don’t make the mistake of believing leaf spring technology has not kept up with the times. Nothing could be farther from the truth.
Late-model Chevrolet Corvettes have very successfully used a transverse-mounted leaf spring rear suspension made of high-tech composite materials for high performance. This system was designed to produce a suspension that is more compact, flatter, and lighter than a traditional setup. Many custom car builders like to point out that leaf spring suspensions have the advantage of spreading the load more widely over the vehicle’s chassis, where coil springs transfer the load to a single point.
American car manufacturers in the ’50s, ’60s and early ’70s used leaf springs made of several leaves stacked on top of each other in several layers with progressively shorter leaves. These suspensions were common in almost all cars coming out of the factory for passenger and commercial use. Inexpensive and virtually maintenance-free, these leaves offered dampening as well as springing function for the chassis.
Because leaf springs are constructed of multiple layers, the leaves move against each other causing friction. The movement between the leaves is not easily controlled. The act of a leaf moving against another leaf provides the damping but is unpredictable when the leaf will go from a static position into motion. The amount of static friction that needs to be overcome to enable motion is called stiction (static and friction). Because of this stiction variable, some manufacturers used mono-leaf springs.

Leaf Spring Pros And Cons
Best use: A leaf spring suspension is great for budget-conscience builders and enthusiasts that commute in stop-and-go traffic a lot. Absorbing the shock of constantly applying the brakes is often easier with leaf springs. Handling the shock of hard acceleration or potholes is easier with this suspension as well. “At Art Morrison, we don’t offer a chassis with a leaf spring suspension,” said Matt, noting, “the cost between a decent leaf spring suspension and an adjustable link-type suspension is so close that it doesn’t make sense for us to provide that.”
Pros: Leaf spring suspensions are very strong. The diaphragm used in a clutch assembly is a type of leaf spring. Think about the jarring and shock that a clutch takes. They are also less complicated to set up than other suspension types due to their simplicity. Leaf Springs are capable of handling higher loads with less deflection than coil springs. This is why most commercial trucks still employ leaf spring suspensions.
Cons: The simplicity of leaf springs is as much of a curse as a blessing. Using fewer parts and mounting to rigid points on the chassis means there is less room for adjustability and customization of the suspension geometry. This can be a big deal because leaf springs flex more than coil springs under severe conditions. Flex means less power and less contact to the ground.
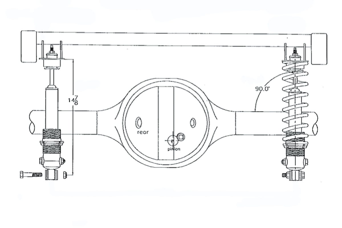
Coilover Suspensions
“A coilover suspension offers tremendous adjustability to help control a vehicle’s handling on various surfaces and conditions,” Matt explained. In addition to mechanical adjustments, the coilover’s springs can be replaced with stiffer or softer springs. Changing springs will aid in the amount and speed of weight transfer from front to rear and side-to-side. Coilovers will also allow for a change in the vehicle’s center of gravity by raising or lowering the ride height. These, along with shock adjustments, will enhance the overall riding performance of the cars with a coilover suspension.

Enthusiasts have long known that an upgrade to a coilover suspension system could add performance benefits. According to Matt, “With more adjustability comes the need to understand what all the adjustments do in order to take advantage of the system.” An adjustment in the wrong direction can make an ill-handling car worse. Used correctly, a coilover suspension is almost a necessity for high-performance applications where speed or time is a factor.

Coilover Pros And Cons
Best Use: “Almost any vehicle, in any application will benefit from a link-type coilover suspension,” Matt stated. Drivers that want a better feel for the road and a comfortable ride will benefit from a properly set-up coilover suspension.
Pros: The ability to dial in better car control and handling top the list of advantages for the coilover suspension system. This improves driver comfort as it is easier to control the vehicle. The springs and shocks can be set up to absorb and smooth nose-dive and squat in the ride, making it linear and comfortable. “The ability to change spring rates is so easy,” said Matt. “You just look in a catalog, pick out the spring rate you want, and away you go.”
Cons: If speed is the number one goal, sacrificing ride quality is the compromise. Many times spring adjustments can make the ride stiffer to the point of driver irritation. This is also true if the setup or alignment is not done properly.
Air Suspension
While Art Morrison chassis does have provisions for air suspension systems, these only account for approximately ten percent of their builds. “Air suspension used to have a stigma associated with it,” said Matt. “The systems and components have gotten better over the past couple of decades and there are no reliability issues at all. Yet in some circles, the stigma of high-maintenance remains.”

Air suspensions are common in many modern luxury cars and SUVs from the OE manufacturers these days. With every car company fighting for its reputation, it is clear that air suspensions are dependable. If they weren’t, these companies would not put it on their premium vehicles. The primary function for car makers employing air suspensions is for ride quality. An air suspension makes the vehicle feel like it is “gliding” over bumps.
Often, the ride quality of an air suspension will give up some of the handling characteristics in performance applications. This is why we find more air suspension systems on cars that want a softer ride profile or need improved towing capability. Many of these air systems are adjustable on the fly and can raise or lower the ride height or increase firmness to account for heavier loads.

Air Suspension Pros And Cons
Best Use: SUVs and trucks when improved towing or load capacity is desirable. On vehicles where dropping or raising the ride height for stylistic aesthetics are critical. On vehicles designed to feel like a luxury cruise.
Pros: Driver and passenger comfort are improved over stock-like suspensions. In the case of SUVs or trucks, the ability to haul or tow more weight without sagging in the rear is greatly enhanced without major adjustments. Modern controllers and air tanks allow for almost instantaneous adjustments from the driver’s seat.
Cons: There are a couple of hindrances with air suspensions, and the top two pertain to cost. The overall cost of a quality air suspension system is pricey, and rightly so. There are a lot of components in one of these systems. Secondly, the cost of replacing a component if it breaks is also expensive. Not to say these components will fail, but things like road debris puncturing an airbag or ride sensor can happen. When it does, it is expensive to replace when compared to a steel spring-type component.

Closing Arguments
Chances are, if you are looking at building your dream machine from the ground up, and are looking at purchasing an Art Morrison chassis, going with a link-type coilover suspension is a no-brainer. “For us, if you are buying a new frame, a leaf spring suspension just does not make sense when you can step up to a link-type suspension for a few dollars more,” Matt said to clarify the company’s reasoning.
But if you are a home-garage builder working with a budget, leaf springs will work. “If you’re a garage guy and the vehicle is already set up for leaves, that’s one thing,” Matt says, “you don’t have to weld in brackets and other stuff to make it work. You always have to account for those builders.”

According to Matt, the air suspensions have not been a big seller for Art Morrison over the years. “I will say, there have been some major advancements in air suspensions, especially in the modern controllers and ride sensors,” he added. “That makes air suspensions ride pretty darn well.”
Our final result is pretty much the place we started: Choosing a suspension type is based on the accumulation of many factors. Budget, experience, personal preference, and application all figure into the choice. It still seems for many builders, a link-type coilover system answers all of these factors well.
To find out more about Art Morrison Enterprises, visit them online at artmorrison.com.
You might also like
Classic Style, Modern Control: Art Morrison’s GT Sport Chassis For Early Chevys
Art Morrison's GT Sport chassis transforms the timeless 1949-54 Chevrolet into a serious restomod performer.