
Heidts Suspension Systems is notorious for releasing new products at just the right time. Their newest release comes in time for final showdowns in autocross and ProTouring events across the country. Debuting in August and available online and approved dealers are the all-new IFS and IRS suspension kits for the 1970-1981 Camaro and Firebird.

PRO-G IRS
One of the major selling points in Heidts new PRO-G independent rear suspension is the entire unit is a bolt-in kit that requires no welding or major cutting. This makes the kit an easy to install for shops and home builders alike. Another major plus to the kit is that it is designed by Heidts’ engineers to work with or without mini tubs. With mini tubs, the rear tire width can range to 335 millimeters.

Heidts claims this IRS kit is at home on the track as it is smooth on the street with 800hp CV shafts, a fabricated Ford 9-inch housing, adjustable camber and toe, and an adjustable swaybar. You can make it as aggressive or mild-mannered as you want. Optional Wilwood brake kits and Currie third members are available to create a complete hub-to-hub kit.
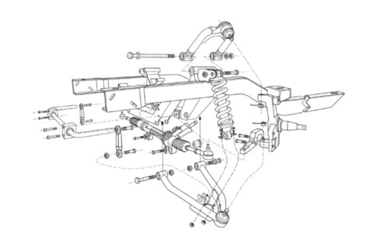
PRO-G Bolt-On Subframe
Heidts new PRO-G bolt-on subframe has been completely redesigned with a matching 60-inch track width from the rear. The new subframe had the frame rails brought in to offer up to a 335 tire up front, with improved geometry for an even smoother ride and more aggressive track car.

The Heidts brand control arms are gusseted for increased strength with uppers that are fully adjustable for easy on-the-fly changes. In addition, multiple shock locations and an improved steering rack help round out the changes made to this subframe.
Heidts adjustable coilover shocks and Wilwood disc brakes are standard in the base price of this kit. Optional LT and LS motor mounts are also available along with splined or standard swaybars and big brake packages.
Visit them at www.heidts.com, or give their sales team a call at 800-841-8188 for more information.
You might also like
Classic Style, Modern Control: Art Morrison’s GT Sport Chassis For Early Chevys
Art Morrison's GT Sport chassis transforms the timeless 1949-54 Chevrolet into a serious restomod performer.